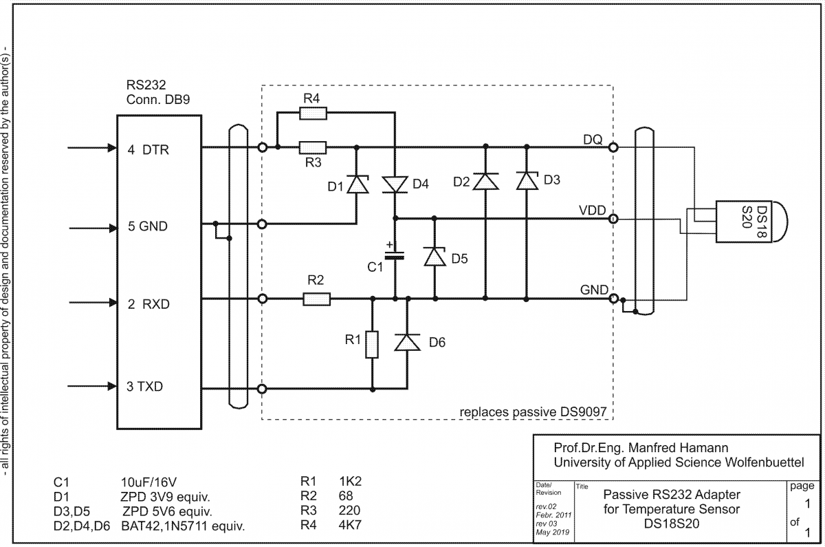
Der Anschluss dieses Sensors 18S20 an einen PC oder anderen Rechner erfolgt(e) über die RS232 Schnittstelle für Modems und Drucker. Sie stellt einen Sende- und Empfangskanal zur Verfügung und wenig, aber genug Leistung für den Betrieb. Für diesen Anschluss gibt es unzählige Anleitungen im Web.
Dabei werden die Leitungen einer klassischen RS232-Schnittstelle mit +/-12V für die Speisung und die Signalerkennung der 18S20-Signale verwendet.
Gezeigt wird hier der Betrieb mit „Parasitic Mode“ mit nur 2 Leitungen, der die Leistung über den Pullup-Widerstand bezieht. Bei problematischen Leitungen, vielen Sensoren kann das zu Störungen führen. Ein unerwartetes Messergebnis „85“ weist auf Störungen der Versorgungsspannung hin.
Bei der erweiterten Schaltung wird etwas Energie auf dem Kondensator C1 zwischen-gespeichert und während des Messzyklus bereitgestellt. Das erhöht die Betriebssicherheit erheblich.

Leider haben moderne PCs und Laptops seit Jahren keine vollwertigen RS232-Schnittstellen mehr. Die USB-nach-RS232 Adapter stellen meistens nur eine RS232-Schnittstelle Rx/TX mit +/-5V zur Verfügung, mit der diese Schaltung nicht zuverlässig funktioniert.
Damit ist dies ein robuster Klassiker, aber leider von gestern.