Nistgelegenheiten für Gartenvögel bereitzustellen ist eine gute Sache. Noch interessanter
ist es, ihnen beim Nestbauen, Brüten und Junge aufziehen zuzu-schauen. So entstand das Projekt „Meisenkasten“.
In einem Meisenkasten ist es dunkel, daher muss dafür eine Infrarot-Beleuchtung zusammen mit einer IR-empfindlichen WebCam eingebaut werden. „Normale“ USB- oder CSI-Kameras haben ein eingebautes Filter, das sie praktisch blind für IR-Strahlung macht. Das Filter könnte man mit etwas Gewalt entfernen, die Bildqualität ist dann oft mangelhaft.
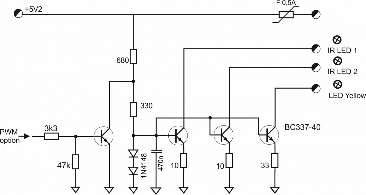
Um beim Aufhängen des Nistkastens frei in der Wahl des Ortes/Baumes zu sein, wurde in der Rückwand des Nistkastens ein Schaltnetzteil eingebaut, das die Versorgung des RasPi auch bei variabler Last stabil auf +5.2 Volt hält. So kann „draußen“ eine ungeregelte Gleichspannung von 10-25 Volt zur Versorgung des Systems verwendet werden.
Innen wurde eine IR-Einbau-Kamera „Longrunner“ 5 MPixel mit OV5646 Sensor und 2 angebauten IR-LEDs verwendet. Wird sie nach Vorgabe zusam-mengebaut, so werden die beiden LEDs aus der 3.3V Versorgungsleitung der Kamera und des RasPi versorgt. Ein Test ergab, dass bei dieser Spannung jede LED über 100 mA Strom zieht, hier zu viel Licht, Wärme und Stromverbrauch. Deswegen enthält die Steuerungsplatine eine einfache Stromquellen-Schaltung, die einen IR-LED-Strom von jeweils 60 mA liefert und dabei das Kamera-Flachkabel nicht unnötig belastet.

Bei Bedarf könnte man die mittlere Helligkeit der LED weiter über die PWM-Funktion des RasPi herunterregeln. In Verbindung mit Video-Anwendungen besteht dann aber die Gefahr von Störstreifen im Bild.
Der Einsatz eines Schaltnetzteils erlaubt einen sehr weiten Eingangsspannungsbereich bei insgesamt ungefährlichen Spannungen. Damit verliert auch die Länge der Versorgungs-leitung bis zum Meisenkasten an Bedeutung.

Mit dem Überspannungsbegrenzer TVS sollte selbst ein nahe vorbeiziehendes Gewitter das elektrische System nicht zerstören. Die Elektronik ist in die Rückwand des Meisenkastens eingebaut und mit einer Kunststoffplatte gegen Regen geschützt.
RasPi und Steuerplatine sind über ein 14-pin-Flachband-Kabel verbunden, das die Versorgungs-spannungen und das PWM-Signal anschließt.
Das mit der Kamera gelieferte CSI-Kabel ist für die meisten Einbau-Anwendungen zu kurz und wurde durch ein längeres ersetzt.
Die Bildverarbeitung erfolgt mit dem Programm „motion“, das die Informationen der IR-Kamera verarbeitet, Veränderungen oder Bewegungen erkennt, mp4-Filme und Bildfolgen erzeugt und u.a. auf dem USB-Stick speichert. Wegen möglicher Hitze im Sommer wurde auf die CPU ein Kühlkörper geklebt.
Das Video-System mit Raspian, der Longrunner-Kamera und motion war problemlos als video0 zu konfigurieren. Derzeit ist das System so eingestellt, dass es …
- ohne Bewegung ein Bild/sec überträgt,
- bei erkannter Bewegung 10 Bilder/sec überträgt,
- nach einer Bewegungserkennung durch ‚motion‘ einen max. 20 sec langen mp4-Film erzeugt und auf dem USB-Stick speichert.
- der rosa-Farbanteil des IR-Bildes über „saturation = 30“ reduziert wird,
- der ‚motion‘-interne Webserver über einen https:// Reverse Proxy geleitet wird.
An aktiven Tagen können so 5-7 GByte an Bild- und Videodaten zusammenkommen.
Link: https://meisenkasten.selfip.com (wenn aktuell Eier/Küken vorhanden sind)
