Während Laptops und Mini-Rechner in der Regel von sich aus vom Stromnetz isoliert sind („potentialfrei“), so sind Rechner im Metallgehäuse aus Sicherheitsgründen meistens mit dem Schutzleiter des Stromnetzes verbunden, auch das Innenleben.
Treten einmal Spannungsunterschiede im Versorgungsnetz auf, so können Probleme zwischen den Sensorleitungen des/der 18S20 und dem umgebenden Netz entstehen. Damit ist besonders bei Kurzschluss oder Blitzeinschlag zu rechnen. Da wäre es für den Rechner/PC sicherer, wenn die Leitungen der Sensoren im Betrieb von denen des Rechners elektrisch isoliert wären.
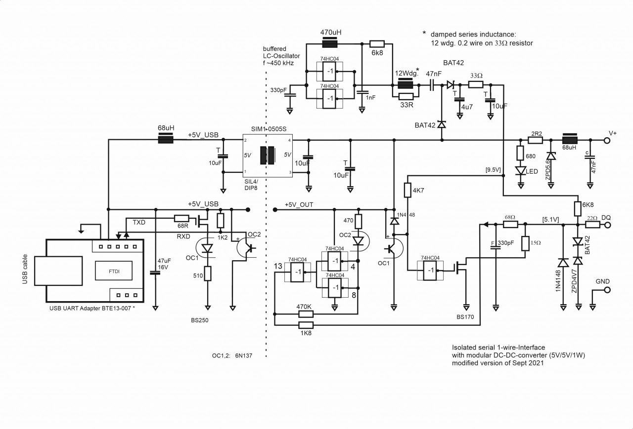
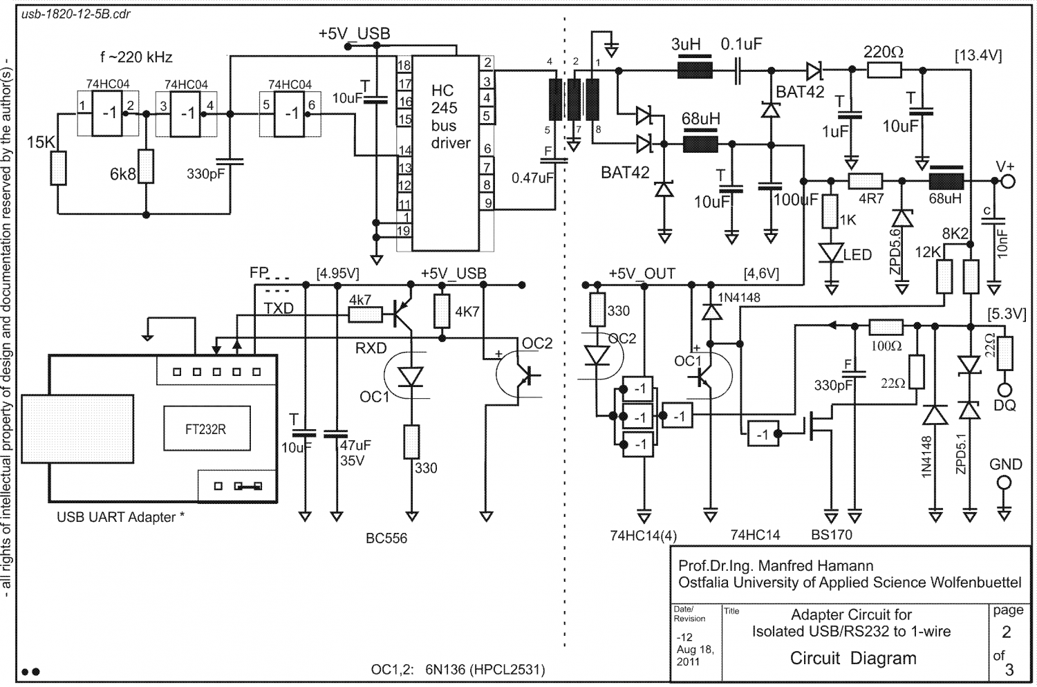
In der Schaltung werden nach dem FTDI-232 die gewandelten RX- und TX-Signale über Optokoppler weitergegeben. Die notwendige Leistung für die isolierte Seite wird mit einem 5V-5V-Netzteil übertragen. Weil die Logikpegel des 1-Wire Busses die meiste Zeit auf „high“ stehen, müssen die internen Ansteuerpegel so gewählt werden, dass bei den Optokopplern „high“ entsprechend „ohne Strom“ ist.

Um die Stromversorgung des 18S20 im „Parasitic“ 2-Draht-Betrieb zu unterstützen, wird auf der isolierten Seite eine höhere Quellenspannung (~10V) für den Pullup-Widerstand erzeugt, damit auch beim „high“-Pegel mehr Strom in der DATA-Leitung fließen kann.
Ein modularer 5V-5V-Wandler muss sekundär mit mindestens 10% des max. Ausgangs-stroms belastet werden, um stabil zu arbeiten. Wer wenig Leistung verbrauchen will oder muss, kann den Wandler auch diskret mit einem CMOS-Bustreiber und einem kleinen Ferrit-Transformator aufbauen.

In jedem Fall müssen für die Optokoppler „schnelle“ Typen wie der 6N137 o.ä. verwendet werden. Mit ’normalen‘ Optokopplern wie 4N36 o.ä. funktioniert das 1-Wire-Protokoll hier nicht, vermutlich wegen der internen Verzögerungen im usec Bereich.
Wenn das Musterboard nicht gleich funktioniert, sondern die eine oder andere Änderung braucht, dann ….

kann es auch mal so aussehen und doch funktionieren.