Bei Mess- und Regelungsaufgaben ist es oft nötig, einen „richtigen“ Stromverbraucher im 230V-Netz, eine elektrische Heizung, eine Pumpe, einen Stellmotor oder ähnliches mit dem Mikrocontroller ein- und auszuschalten. Aus Sicherheitsgründen müssen dafür die Stromkreise immer voneinander isoliert, d.h. galvanisch getrennt sein. Übliche Schaltelemente dafür sind mechanische Relais und Halbleiterschalter wie Thyristoren oder TRIACs.
Bei mechanischen Relais wird mit Hilfe einer Magnetspule ein Schaltkontakt geöffnet oder geschlossen. Dort ist die Trennung der Stromkreise schon konstruktiv gegeben. Mittlere und größere Relais sind auch mit einer Spulen-Spannung von 5V verfügbar, benötigen aber relativ viel Strom, so dass es, um Störungen zu vermeiden, ratsam ist, sie nicht aus derselben 5V-Versorgung des Mikrocontrollers zu versorgen.
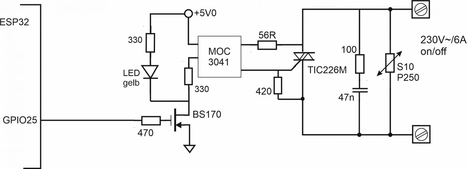
TRIACs als Wechselstromschalter sind robuste Bauelemente, die mit 20-50 mA an der Steuerelektrode eingeschaltet werden können. Da könnte fast schon der Strom eines GPIO-Pins ausreichen. Ohne elektrische Isolierung wäre das aber lebensgefährlich. Dafür gibt es spezielle Optokoppler für Netzspannungs-Anwendungen.

Der hier verwendete TIC226M ist ein 600V / 8A Schaltelement. Die max. Betriebsspannung sollte genügend hoch gewählt werden, weil beim Ausschalten von Transformatoren und
Motoren oft erhebliche Spannungsspitzen auftreten können. Die RC-Kombination 100 Ohm + 47 nF soll sicherstellen, dass auch bei phasenverschobenem Laststrom im Nulldurchgang der Netzspannung sicher ausgeschaltet wird. Der Varistor S10P250 dient zur Begrenzung von Spannungsspitzen.
Relais als Leistungsschalter gelten alt altmodisch. Hier wären sie trotzdem eine gute Lösung, wenn ..
- eher selten geschaltet wird (weniger als 300.000 mal in der Lebensdauer),
- die geschaltete Leistung klein ist, weniger als 20-30W,
- dabei der Laststrom komplex ist (LED-Leuchten, Schaltnetzteile o.ä.)
TRIACs brauchen einen Mindeststrom von >50 mA, um nach dem Einschaltimpuls eingeschaltet zu bleiben. Bei zu kleinen Lastströmen kann es zu Flackern führen. Dafür schalten sie mittlere und größere Lastströme geräuschlos und verschleißfrei fast beliebig oft ein und aus. Bei größeren Dauerströmen könnte ein kleiner Kühlkörper sinnvoll sein.
Der TIC226M verträgt als Überlast oder Einschaltstrom max. 70A für eine Halbwelle der Netzspannung, ein großer Wert. Will man die Schaltung mit Hilfe von Sicherungen gegen Zerstörung bei Verbindungsfehlern oder Kurzschluss schützen, wird es aber schwierig. Normale Schmelzsicherungen reagieren langsam, und ob der LSA schnell genug öffnet vor der Beschädigung des TRIAC ist nicht sicher. Dieses Problem haben alle Solid-State-Relais. Im Normalbetrieb arbeiten sie hervorragend.